web stats

MS9050UD Stereo Wiring – Download the Full Diagram Here! 2008 ford mustang stereo wiring diagram

If you are looking for 2005 Mustang Radio Wiring Diagram you've came to the right place. We have 25 Images about 2005 Mustang Radio Wiring Diagram like Mitsubishi Montero Stereo Wiring Diagram - Wiring Diagram, [DIAGRAM] Wiring Diagram For Stereo Wiring Diagrams - MYDIAGRAM.ONLINE and also Receiver Wiring Diagram. Read more:

2005 Mustang Radio Wiring Diagram

2005 Mustang Radio Wiring Diagram www.wiringdraw.com

2005 Mustang Radio Wiring Diagram

[DIAGRAM] 1990 Mustang Wiring Diagram Colored - MYDIAGRAM.ONLINE

[DIAGRAM] 1990 Mustang Wiring Diagram Colored - MYDIAGRAM.ONLINE mydiagram.online

[DIAGRAM] 1990 Mustang Wiring Diagram Colored - MYDIAGRAM.ONLINE

Mustang Stereo Wiring Diagram - Greenize

Mustang Stereo Wiring Diagram - Greenize greenize58.blogspot.com

Mustang Stereo Wiring Diagram - Greenize

1994 Mustang Stereo Wiring Diagram : Installing A Aftermarket Stereo In

1994 Mustang Stereo Wiring Diagram : Installing A Aftermarket Stereo In drawinghibbard.blogspot.com

1994 Mustang Stereo Wiring Diagram : Installing A Aftermarket Stereo In ...

1999 Mustang Stereo Wiring Diagram Database

1999 Mustang Stereo Wiring Diagram Database www.got2bwireless.com

1999 Mustang Stereo Wiring Diagram Database

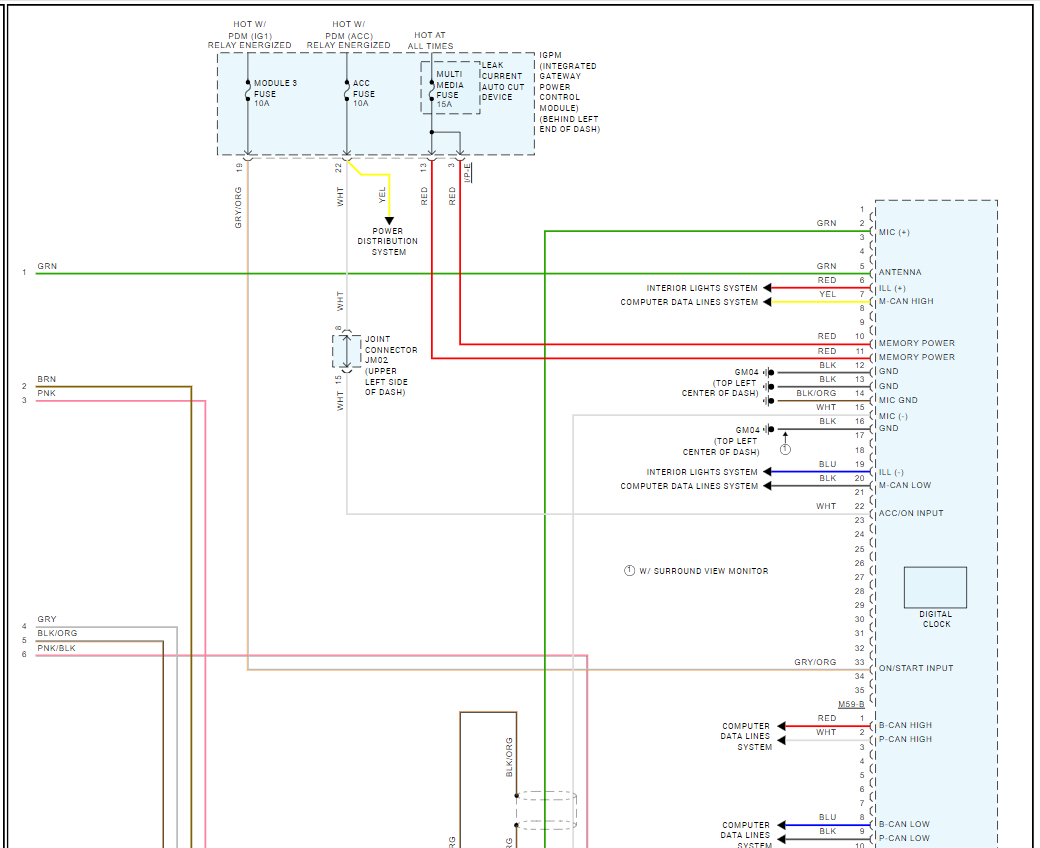
[DIAGRAM] 1995 Mustang Gt Stereo Wiring Diagram Colors - MYDIAGRAM.ONLINE

[DIAGRAM] 1995 Mustang Gt Stereo Wiring Diagram Colors - MYDIAGRAM.ONLINE mydiagram.online

[DIAGRAM] 1995 Mustang Gt Stereo Wiring Diagram Colors - MYDIAGRAM.ONLINE

[DIAGRAM] Wiring Diagram For Stereo Wiring Diagrams - MYDIAGRAM.ONLINE

[DIAGRAM] Wiring Diagram For Stereo Wiring Diagrams - MYDIAGRAM.ONLINE mydiagram.online

[DIAGRAM] Wiring Diagram For Stereo Wiring Diagrams - MYDIAGRAM.ONLINE

Msd 8950 Wiring Diagram - Wiring Diagram Pictures

Msd 8950 Wiring Diagram - Wiring Diagram Pictures schematron.org

Msd 8950 Wiring Diagram - Wiring Diagram Pictures

1998 Ford Mustang Stereo Wiring Diagram - Database - Faceitsalon.com

1998 Ford Mustang Stereo Wiring Diagram - Database - Faceitsalon.com faceitsalon.com

1998 Ford Mustang Stereo Wiring Diagram - Database - Faceitsalon.com

1995 Mustang Stereo Wiring Diagram

1995 Mustang Stereo Wiring Diagram wiredatakendrick.z19.web.core.windows.net

1995 Mustang Stereo Wiring Diagram

2005 Mustang Radio Wiring Diagram

2005 Mustang Radio Wiring Diagram www.wiringdraw.com

2005 Mustang Radio Wiring Diagram

Receiver Wiring Diagram

Receiver Wiring Diagram www.circuitdiagram.co

Receiver Wiring Diagram

2008 Ford Mustang Stereo Wiring Diagram

2008 Ford Mustang Stereo Wiring Diagram schematicfixnightcap.z22.web.core.windows.net

2008 Ford Mustang Stereo Wiring Diagram

99 Mustang Wiring Diagram

99 Mustang Wiring Diagram www.mikrora.com

99 Mustang Wiring Diagram

Looking For The Stereo Wiring Diagram Not Premium?

Looking for the Stereo Wiring Diagram Not Premium? www.2carpros.com

Looking for the Stereo Wiring Diagram Not Premium?

Mustang Stereo Wiring Diagram - Greenize

Mustang Stereo Wiring Diagram - Greenize greenize58.blogspot.com

Mustang Stereo Wiring Diagram - Greenize

Stereo Wiring Diagram - Hyundai Forums : Hyundai Forum

Stereo Wiring Diagram - Hyundai Forums : Hyundai Forum www.hyundai-forums.com

Stereo Wiring Diagram - Hyundai Forums : Hyundai Forum

Mitsubishi Montero Stereo Wiring Diagram - Wiring Diagram

Mitsubishi Montero Stereo Wiring Diagram - Wiring Diagram wiringdiagram.2bitboer.com

Mitsubishi Montero Stereo Wiring Diagram - Wiring Diagram

[DIAGRAM] 1995 Mustang Gt Stereo Wiring Diagram Colors - MYDIAGRAM.ONLINE

[DIAGRAM] 1995 Mustang Gt Stereo Wiring Diagram Colors - MYDIAGRAM.ONLINE mydiagram.online

[DIAGRAM] 1995 Mustang Gt Stereo Wiring Diagram Colors - MYDIAGRAM.ONLINE

Wiring Diagram Mc 50 - Wiring Diagram

wiring diagram mc 50 - Wiring Diagram wiringdiagram.2bitboer.com

wiring diagram mc 50 - Wiring Diagram

[DIAGRAM] 1995 Mustang Gt Stereo Wiring Diagram Colors - MYDIAGRAM.ONLINE

[DIAGRAM] 1995 Mustang Gt Stereo Wiring Diagram Colors - MYDIAGRAM.ONLINE mydiagram.online

[DIAGRAM] 1995 Mustang Gt Stereo Wiring Diagram Colors - MYDIAGRAM.ONLINE

1994 Mustang Stereo Wiring Diagram - Diagram Ear

1994 Mustang Stereo Wiring Diagram - diagram ear diagramear.blogspot.com

1994 Mustang Stereo Wiring Diagram - diagram ear

[DIAGRAM] 1995 Mustang Gt Stereo Wiring Diagram Colors - MYDIAGRAM.ONLINE

[DIAGRAM] 1995 Mustang Gt Stereo Wiring Diagram Colors - MYDIAGRAM.ONLINE mydiagram.online

[DIAGRAM] 1995 Mustang Gt Stereo Wiring Diagram Colors - MYDIAGRAM.ONLINE

[DIAGRAM] 1999 Mitsubishi Montero Sport Stereo Wiring Diagram

[DIAGRAM] 1999 Mitsubishi Montero Sport Stereo Wiring Diagram mydiagram.online

[DIAGRAM] 1999 Mitsubishi Montero Sport Stereo Wiring Diagram ...

Wiring Diagram For The MSD 8975

Wiring Diagram for the MSD 8975 wireblueprint.com

Wiring Diagram for the MSD 8975

[diagram] 1995 mustang gt stereo wiring diagram colors. Msd 8950 wiring diagram. [diagram] 1995 mustang gt stereo wiring diagram colors